海灣消防設備GST-LD-8302切換模塊
一、海灣消防設備GST-LD-8302切換模塊特點
海灣消防設備GST-LD-8302切換模塊專門用來與GST-LD-8301型模塊配合使用,實現對現場大電流(直流)啟動設備的控制及交流220V設備的轉換控制,以防由于使用GST-LD-8301型模塊直接控制設備造成將交流電源引入控制系統總線的危險。
本模塊為非編碼模塊,不可直接與控制器總線連接,只能由GST-LD-8301模塊控制。模塊具有一對常開、常閉輸出觸點。
二、海灣消防設備GST-LD-8302切換模塊主要技術指標
(1)GST-LD-8302海灣切換模塊工作電壓:DC24V
(2)監視電流=0mA,動作電流≤20mA
(3)GST-LD-8302海灣切換模塊線制:輸入端采用兩線制與GST-LD-8301模塊連接,無極性;輸出端采用兩線制與電源及受控設備連接,無極性
(4)GST-LD-8302海灣切換模塊無源輸出觸點容量:DC24V/5A或AC220V/5A
(5)GST-LD-8302海灣切換模塊使用環境:
溫度:-10℃~+50℃
相對濕度≤95%,不結露
(6)外殼防護等級:IP30
(7)GST-LD-8302海灣切換模塊外形尺寸:
120mm×80mm×43mm(帶底殼)
三、海灣消防設備GST-LD-8302切換模塊塊結構特征、安裝與布線
GST-LD-8302海灣切換模塊的外形尺寸及結構示意圖如圖2-37所示。

本編址接口模塊采用明裝,當進線管預埋時,可將底盒安裝在86H50型預埋盒上,安裝方法如圖2-38;當進線管明裝時,采用B-9310型后備盒安裝方式,具體使用方法見第二章3.6節的B-9310。底盒與上蓋間采用拔插式結構安裝,拆卸簡單方便,便于調試維修。

底殼安裝時應注意方向,底殼上標有安裝向上標志(見圖2-39)。

切換對外端子示意圖如圖2-40:

GST-LD-8302海灣切換模塊其中:
NC、COM、NO:常閉、常開控制觸點輸出端子
O、G:有源DC24V控制信號輸入端子,輸入無極性
GST-LD-8302海灣切換模塊布線要求:各端子外接線均采用阻燃BV線,截面積≥2.5mm2。
四、海灣消防設備GST-LD-8302切換模塊應用方法
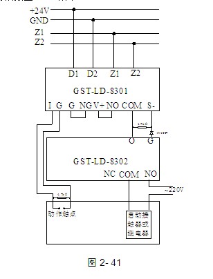
驅動交流型設備的方法如圖2-41所示:

同類文章排行
- 消防工程施工中建筑物的耐火等級防火分區、防火間距及疏散出口知識點
- 億杰消防維保通過系統性排查園區消防隱患規避消防檢查罰款
- 大型商超消防系統年檢攻略:省時省力的合作模式
- 北京倉庫冷庫消防規范與維保管理要求
- 酒店消防設施升級改造方案,消防改造多少錢一平方
- 汽車服務店消防維保要求,收費標準一年多少錢
- 小區消防工程維保哪些地方是重點,維保周期是多少?
- 寫字樓消防維保工作內容有哪些?每月/季度/年度該做什么?
- 億杰消防工程通過標準化流程與規范管理提高消防工程質量
- 北京海淀區賓館消電檢,賓館年度消電檢測報告多少錢一次






